Грозозащиты

Активное и пассивное сетевое оборудование: опыт применения
Аватара пользователя
Igoras
Moderator
Moderator
 
Сообщения: 3248
Зарегистрирован:
22 окт 2003, 20:27
Откуда: Кишинев, Starushka.net

Сообщение Igoras 11 июн 2008, 15:12

RDS,
ну насчет опыта это я сомневаюсь... а аппарат да.. лежит :) вместе со всем "походным комплектом сварщика": 3 типами стрипперов, скалывателем, спиртом и салфетками :) вот только со временем сложновато :)

[off]это типа разрешаешь поехать поварить?[/off]

Аватара пользователя
RDS
Moderator
Moderator
 
Сообщения: 1032
Зарегистрирован:
05 июн 2003, 19:34
Откуда: Кишинев

Сообщение RDS 11 июн 2008, 16:01

KirillTs писал(а):Я правильно понял, что разряд передается на вторую омотку пробивая изоляцию провода, а не индуцируя ток во второй обмотке?

Так и есть. Порты горят от синфазной наводки. А диф. наводка очень невелика и с ней игрючи справится маломощный супрессор включенный в диоганаль моста. Посему естественно не может быть и речи о "сгорании" обмотки входного трансформатора. Прикинь какое необходимо приложить диф. напряжение на входную обмотку, чтобы при ее сопротивлении, протекающий через нее ток, смог пережечь медный провод. При таком входном импульсе входные цепи после трансформатора 100% сгорят до пепла. Именно поэтому мысли о замене входного трансформатора - это только мысли людей с этим не как не связанных.
KirillTs писал(а):Можно намотать УТП или лучше использовать провод в более толстой изоляции?

ну тут все зависит от того, что ты хочешь в итоге получить - малые габариты или высокое напряжение изоляции.

Добавлено спустя 7 минут 25 секунд:

Igoras писал(а): вот только со временем сложновато :)

[off]это типа разрешаешь поехать поварить?[/off]

Можно и Андрея попросить помочь заварить (в свободное от работы время).
Надо же поддержать "новаторские" технологии отрабатываемые Владимиром!

Аватара пользователя
Igoras
Moderator
Moderator
 
Сообщения: 3248
Зарегистрирован:
22 окт 2003, 20:27
Откуда: Кишинев, Starushka.net

Сообщение Igoras 11 июн 2008, 16:17

RDS,
эти технологии оправданы только в случае если надо платить за каждый стык, иначе проще кабель разрезать и очистить... это займет максимум полчаса на каждый конец, то есть час в сумме, а не 3, и еще по 5 минут на сварку каждого транзитного волокна :)

...Сомневаюсь, что у Андрея тоже много времени :)

Аватара пользователя
KirillTs

 
Сообщения: 962
Зарегистрирован:
11 дек 2006, 11:29

Сообщение KirillTs 11 июн 2008, 17:00

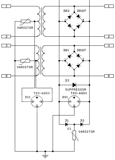
Мне представляется такая схема, базируется на http://cxema.lan.md/?groza8 просто добавляем на каждую пару по разделяющему трансу из моего сообщения чуть выше, ставим на них варисторы KVR14-241 и разрядник, как считаете уважаемые сетевики, даст ли это заметный эффект?

Добавлено спустя 2 минуты 51 секунду:

Igoras,
Товарищи из аракса вытаскивают волокна, не знаю делается это из экономии или чтоб не отключать пользователей, пару муфт ставили на кабеле который ко мне идет, линк не пропадал..
Вложения
groza.gif
groza.gif (8.09 Кб) Просмотров: 59128

Аватара пользователя
Шинкевич Владимир

 
Сообщения: 1628
Зарегистрирован:
28 дек 2004, 17:36
Откуда: Киштаун

Сообщение Шинкевич Владимир 11 июн 2008, 20:53

Кхм, немного не понял последний пост Игоря, "освещу" как у меня и что.
Кабель проходит цельный в 6 точках. В одной надо оконечить все 12, в трех - по одному волокну, в одной два оконечить, в одной оконечить одно и сварить одно с приходящим от ТМГ.

В каждом доме кабель заведен в оптический бокс, уложен в сплайс-кассету. (выполнено 3 из 6).

Надо - выделить нужное волокно, срезать его, срезать патч-корд, сварить, потестить (лазером иль рефлектометром).

Патч-корды (сц-сц дуплекс в количестве 5 штук дают 20 "пигтейлов") и гильзы (в каждом боксе 24 гильзы) - есть.

P.s. Сколько это может занять времени? учитывая, что одна из точек - это 12 этажей без лифта...

Завтра утром позвоню в ТМГ - узнаю, как они насчет пятницы.

Почему ТМГ? удобные условия оплаты в качестве их клиента. Заодно пару медиаконверторов у них стяну - одну точку надо быстро переделывать на оптику, на меди - 40 % потерь на -i 0.01 -s 14720
Возвратно-поступательные движения неэффективны.

Аватара пользователя
RDS
Moderator
Moderator
 
Сообщения: 1032
Зарегистрирован:
05 июн 2003, 19:34
Откуда: Кишинев

Сообщение RDS 11 июн 2008, 22:35

KirillTs писал(а):Мне представляется такая схема, базируется на http://cxema.lan.md/?groza8 просто добавляем на каждую пару по разделяющему трансу из моего сообщения чуть выше, ставим на них варисторы KVR14-241 и разрядник, как считаете уважаемые сетевики, даст ли это заметный эффект?

Ты неоправданно излишне усложнил схему. Я же писал выше, что проще соединить две общие точки трансформаторов (со стороны линии) между собой и через варистор соединить эту общую точку с землей. Этого более чем достаточно. Ну а если у тебя к этому порту подключена длинная и высоко подвешанная воздушка, то я бы на одной из сторон просто-бы жестко заземлил эти средние точки, а на другом конце воздушки соединил бы их с землей через варистор (если не жалко, то можно паралельно этому варистору подключить еще и разрядник).
И совершенно бесполезно при таком включении ставить второй разрядник.

Аватара пользователя
KirillTs

 
Сообщения: 962
Зарегистрирован:
11 дек 2006, 11:29

Сообщение KirillTs 11 июн 2008, 22:49

RDS,
Теперь вроде как ясно =)
Завтра думаю собрать, посмотрим как будет работать, гроз обещали много будем тестить :D

Аватара пользователя
Igoras
Moderator
Moderator
 
Сообщения: 3248
Зарегистрирован:
22 окт 2003, 20:27
Откуда: Кишинев, Starushka.net

Сообщение Igoras 12 июн 2008, 00:03

Шинкевич Владимир,
ну если ты даже все что нужно заведешь в сплайс-пластины, то это максимум полдня на сварку и перемещения...

Аватара пользователя
XPert256

 
Сообщения: 11
Зарегистрирован:
03 фев 2009, 22:46

Re: Грозозащиты

Сообщение XPert256 03 фев 2009, 23:17

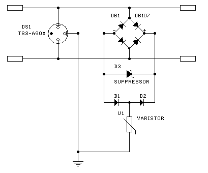
Господа, нужно обеспечить грозозащиту видеокамеры подключенной по коаксилу, прикинул вот такую схемку, как скажете, будет работать???

groza.GIF
groza.GIF (2.51 Кб) Просмотров: 58827

Аватара пользователя
RDS
Moderator
Moderator
 
Сообщения: 1032
Зарегистрирован:
05 июн 2003, 19:34
Откуда: Кишинев

Re: Грозозащиты

Сообщение RDS 04 фев 2009, 01:22

XPert256 писал(а):Господа, нужно обеспечить грозозащиту видеокамеры подключенной по коаксилу, прикинул вот такую схемку, как скажете, будет работать???

groza.GIF

Должна. Только зачем последовательно с супрессорами ставить ещё и варистор? Тогда уж логичнее поставить все элементы защиты паралельно (разрядник, варистор, супрессор). А вообще можно обойтись только разрядником и супрессором. А можно наоборот, оставить только разрядник и варистор, исключив супрессоры (если паразитная ёмкость варистора не будет "давить" видео сигнал).
люди, которые считают, что знают все на свете, очень раздражают нас - людей которые считают, что знают все на свете! :-)

Аватара пользователя
XPert256

 
Сообщения: 11
Зарегистрирован:
03 фев 2009, 22:46

Re: Грозозащиты

Сообщение XPert256 04 фев 2009, 13:20

RDS писал(а):Должна. Только зачем последовательно с супрессорами ставить ещё и варистор? Тогда уж логичнее поставить все элементы защиты паралельно (разрядник, варистор, супрессор).


Сначала именно так я и хотел сделать, но за основу бралась вот эта схема
groza_gbit.GIF
groza_gbit.GIF (3.51 Кб) Просмотров: 56225

и уже ее я переделывал под коаксил, а на ней заземлено через варистор. Так меня до сих пор мучает вопрос - зачем на этой схеме варистор? Почему не заземлить напрямую?

Аватара пользователя
RDS
Moderator
Moderator
 
Сообщения: 1032
Зарегистрирован:
05 июн 2003, 19:34
Откуда: Кишинев

Re: Грозозащиты

Сообщение RDS 04 фев 2009, 16:38

XPert256 писал(а):Сначала именно так я и хотел сделать, но за основу бралась вот эта схема
groza_gbit.GIF

и уже ее я переделывал под коаксил, а на ней заземлено через варистор. Так меня до сих пор мучает вопрос - зачем на этой схеме варистор? Почему не заземлить напрямую?

На приведённой схеме супрессор ограничивал напряжение на паре (гальванически развязанной от земли), а варистор "сливал" паразитный заряд с этих проводов на "землю".
В твоем же варианте, один из проводов в "паре" - оплётка коаксиального кабеля, уже заземлена. Поэтому "сливать" заряд придётся только с одного провода на другой (земляной).

Аватара пользователя
XPert256

 
Сообщения: 11
Зарегистрирован:
03 фев 2009, 22:46

Re: Грозозащиты

Сообщение XPert256 04 фев 2009, 17:20

А как на счет того, что можно обойтись только разрядником и супрессорами - на сколько я понял читая форум, у разрядника и супрессора есть свое время срабатывания, а не получится так, что пока они сработают, видеокамера уже успеет получить достаточно лишнего напряжения что бы сгореть???
Тогда нужно паралельно ставить варистор? По идее он должен поглотить и рассеять ту энергию, которая успеет пройти, пока сработают разрядник и супрессоры? А его запаса прочности хватит?

И еще один момент: в схеме для коаксила, получатеся что супрессоры будут работать как разрядник, пока не сработает сам разрядник. И опять тот же вопрос - не сгорит ли он раньше чем сработатет разрядник?

Аватара пользователя
RDS
Moderator
Moderator
 
Сообщения: 1032
Зарегистрирован:
05 июн 2003, 19:34
Откуда: Кишинев

Re: Грозозащиты

Сообщение RDS 04 фев 2009, 20:52

XPert256 писал(а):А как на счет того, что можно обойтись только разрядником и супрессорами - на сколько я понял читая форум, у разрядника и супрессора есть свое время срабатывания, а не получится так, что пока они сработают, видеокамера уже успеет получить достаточно лишнего напряжения что бы сгореть???
Тогда нужно паралельно ставить варистор? По идее он должен поглотить и рассеять ту энергию, которая успеет пройти, пока сработают разрядник и супрессоры? А его запаса прочности хватит?

И еще один момент: в схеме для коаксила, получатеся что супрессоры будут работать как разрядник, пока не сработает сам разрядник. И опять тот же вопрос - не сгорит ли он раньше чем сработатет разрядник?

Разрядник - медленный, но очень мощный прибор (может кратковременно пропустить токи до десятков килоАмпер).
Супрессор - очень быстрый прибор, но может рассеить в виде тепла ограниченную мощность (единицы килоВатт).
Варистор - достаточно быстрый прибор с широким диапазоном мощности рассеивания (до многих десятков килоДжоулей).

Разрядник - защитит от очень мощной помехи, сбросив через себя колосальный заряд на землю.
Супрессор - защитит от фронта любой, даже очень высокочастотной наводки (до момента открывания разрядника).
Варистор - защитит от скапливания статического напряжения (так как обладает некоторым сопротивлением даже при отсутствии потенциала на выводах) и паралельно "подстрахует" супрессор, не дав ему перегрется и сгореть

Аватара пользователя
XPert256

 
Сообщения: 11
Зарегистрирован:
03 фев 2009, 22:46

Re: Грозозащиты

Сообщение XPert256 04 фев 2009, 22:29

RDS, огромное спасибо за разъяснения, но есть еще пару вопросов:

1. Насколько я понимаю, потенциал наведенного импульса от грозы может быть только выше потенциала земли, т.е. в схеме для коаксила хватит и одного супрессора, с открытием в сторону земли. А я там нарисовал два, т.к. сначала подумал что импульс может колебаться в обе стороны. Правильно?

2. Сигнал от видеокамеры должен иметь уровень от 0 до 1 вольта, а насколько я понял, копаясь в каталогах, супрессоров с напряжением открытия ниже чем 5 вольт не существует. Пять вольт - это хоть и не много, но все таки пятикратное превышение допустимого уровня сигнала. Но ведь супрессор можно же включить как обычный диод, и он ведь в "прямую" сторону тоже должен ослаблять напряжение на 0,7 вольта??? Т.е. если поставить последовательно два супрессора в "прямую" сторону, то они будут сливать на землю все что превышает 1,4 вольта, и при этом у них будет нулевое время быстродействия, т.к. они постоянно будут открыты???
Вложения
Untitled.GIF
Untitled.GIF (2.21 Кб) Просмотров: 56284

Аватара пользователя
RDS
Moderator
Moderator
 
Сообщения: 1032
Зарегистрирован:
05 июн 2003, 19:34
Откуда: Кишинев

Re: Грозозащиты

Сообщение RDS 04 фев 2009, 23:22

XPert256 писал(а):1. Насколько я понимаю, потенциал наведенного импульса от грозы может быть только выше потенциала земли, т.е. в схеме для коаксила хватит и одного супрессора, с открытием в сторону земли. А я там нарисовал два, т.к. сначала подумал что импульс может колебаться в обе стороны. Правильно?

2. Сигнал от видеокамеры должен иметь уровень от 0 до 1 вольта, а насколько я понял, копаясь в каталогах, супрессоров с напряжением открытия ниже чем 5 вольт не существует. Пять вольт - это хоть и не много, но все таки пятикратное превышение допустимого уровня сигнала. Но ведь супрессор можно же включить как обычный диод, и он ведь в "прямую" сторону тоже должен ослаблять напряжение на 0,7 вольта??? Т.е. если поставить последовательно два супрессора в "прямую" сторону, то они будут сливать на землю все что превышает 1,4 вольта, и при этом у них будет нулевое время быстродействия, т.к. они постоянно будут открыты???

Дорого использовать супрессоры в режиме "открытого диода". Я бы вместо супрессоров поставил паралельно две цепочки из 3-х кремневых диодов каждая. В одной цепочке катодами к центральной жиле, в другой - анодами. На открытом P/N переходе падает 0,7 Вольт, следователно на 3-х диодах будет потенциал не более 2,1 Вольт. Причем не важно каким будет наведённый потенциал положительным или отрицательным.

Аватара пользователя
XPert256

 
Сообщения: 11
Зарегистрирован:
03 фев 2009, 22:46

Re: Грозозащиты

Сообщение XPert256 04 фев 2009, 23:50

А есть такие диоды, которые выдержат такой же импульс как и супрессор?

И разве может быть импульс отрицательным по отношению к земле??? Это получается что заряд должен стечь с земли в проводник, разве такое возможно?

Аватара пользователя
RDS
Moderator
Moderator
 
Сообщения: 1032
Зарегистрирован:
05 июн 2003, 19:34
Откуда: Кишинев

Re: Грозозащиты

Сообщение RDS 05 фев 2009, 19:59

XPert256 писал(а): А есть такие диоды, которые выдержат такой же импульс как и супрессор?

попробуй поставить обычные (как и в выпрямительных мостиках).
XPert256 писал(а):И разве может быть импульс отрицательным по отношению к земле??? Это получается что заряд должен стечь с земли в проводник, разве такое возможно?

Молнии лупашат не только из тучек в землю, доволно часто и между тучками. Осмелюсь предположить, что на тучках может быть как положительный потенциал, так и отрицательный... относительно земли...

Аватара пользователя
XPert256

 
Сообщения: 11
Зарегистрирован:
03 фев 2009, 22:46

Re: Грозозащиты

Сообщение XPert256 05 фев 2009, 20:55

RDS писал(а):попробуй поставить обычные (как и в выпрямительных мостиках).


ОК, спасибо за консультации, но все таки поставлю супрессоры - они дешевле чем видеокамера :)

Аватара пользователя
XPert256

 
Сообщения: 11
Зарегистрирован:
03 фев 2009, 22:46

Re: Грозозащиты

Сообщение XPert256 06 фев 2009, 22:37

RDS, а вот еще вопрос - камеру по питанию тоже нужно защищать??? Допустим если она питается от импульсного блока питания, и БП находится возле самой камеры, а до него идет длинный провод на 220 В. Я так понимаю, между фазой и нулем достаточно поставить рязрядник и варистор вольт на 300 ???

Аватара пользователя
RDS
Moderator
Moderator
 
Сообщения: 1032
Зарегистрирован:
05 июн 2003, 19:34
Откуда: Кишинев

Re: Грозозащиты

Сообщение RDS 06 фев 2009, 23:37

XPert256 писал(а): RDS, а вот еще вопрос - камеру по питанию тоже нужно защищать???

Да, при удаленном питании обязательно.
XPert256 писал(а): Допустим если она питается от импульсного блока питания, и БП находится возле самой камеры, а до него идет длинный провод на 220 В. Я так понимаю, между фазой и нулем достаточно поставить рязрядник и варистор вольт на 300 ???

Длинный провод с напряжением сети 220 Вольт на воздухе - это очень опасно. Разрядник в линию 220 вольт ставить нельзя! Так как при пробое разрядника от наводки, в нем зажгётся дуга и он взарвётся! (220 вольт будут отлично подпитывать этот "взрывной" процесс).
Защищать линию питания 220 вольт необходимо стандартным методом - фильтр с варисторами со стороны нагрузки и плавкий предохранитель со стороны источника.

Аватара пользователя
XPert256

 
Сообщения: 11
Зарегистрирован:
03 фев 2009, 22:46

Re: Грозозащиты

Сообщение XPert256 07 фев 2009, 18:56

Защищать линию питания 220 вольт необходимо стандартным методом - фильтр с варисторами со стороны нагрузки и плавкий предохранитель со стороны источника.


Так нужно несколько варисторов или одного хватит? Например такого http://www.chip-dip.ru/product0/9000040970.aspx

Аватара пользователя
RDS
Moderator
Moderator
 
Сообщения: 1032
Зарегистрирован:
05 июн 2003, 19:34
Откуда: Кишинев

Re: Грозозащиты

Сообщение RDS 07 фев 2009, 23:31

XPert256 писал(а):Так нужно несколько варисторов или одного хватит?

Так как для питания 220 Вольт используются два провода, то и варисторов должно быть минимум два (с каждого провода на землю), даже если вы уверены в том, что один из используемых вами проводов - нулевой (земляной).

Аватара пользователя
XPert256

 
Сообщения: 11
Зарегистрирован:
03 фев 2009, 22:46

Re: Грозозащиты

Сообщение XPert256 08 фев 2009, 00:40

варисторов должно быть минимум два (с каждого провода на землю)


Дело в том, что камера подключается к плате в системном блоке, соответственно экран коаксила будет соединен с заземленным корпусом компьютера, и грозозащиту на коаксил я планировал поставить со стороны компьютера. Таким образом, если варисторы на 220 ставить возле БП камеры, то получится уже две точки заземления, со всеми вытекающими последствиями. Может тогда поставить возле БП один варистор между фазой у нулем, а возле системника еще два - с фазы и нуля на землю?

Аватара пользователя
RDS
Moderator
Moderator
 
Сообщения: 1032
Зарегистрирован:
05 июн 2003, 19:34
Откуда: Кишинев

Re: Грозозащиты

Сообщение RDS 08 фев 2009, 13:16

XPert256 писал(а):Дело в том, что камера подключается к плате в системном блоке, соответственно экран коаксила будет соединен с заземленным корпусом компьютера, и грозозащиту на коаксил я планировал поставить со стороны компьютера. Таким образом, если варисторы на 220 ставить возле БП камеры, то получится уже две точки заземления, со всеми вытекающими последствиями. Может тогда поставить возле БП один варистор между фазой у нулем, а возле системника еще два - с фазы и нуля на землю?

А какие такие "вытекающие последствия"? Чтобы оплётка коаксиала (или витой пары) играла роль экрана, а не антены, её необходимо заземлять с обеих сторон. Ну и провод питания 220 Вольт это два паралельных провода и при их большой длине, на них может наводится всё, что угодно...
А теперь предположим, что на проводе питания заземлённом только с одной стороны (при вспышке молнии) наведён опасный потенциал. Он стремится кротчайшим путём попасть на "землю". Со стороны компьютера (электрощита) всё ясно, а со стороны камеры? Кабель питания имеет конечное сопротивление, поэтому часть заряда со стороны камеры (если не будет варисторов на землю), может (ища кротчайший путь) например пробить трансформатор блока питания камеры и через цепи питания камеры и её схему попасть на оплёку коаксиала и по ней также потечь к заземлению). Аналогично и заряд с оплётки может пробить схему камеры, её блок питания и через провод 220 Вольт потечь к щиту (заземлению).
Я бы защищал такую систему с обеих сторон. А что рекомендуют производители камер? Как они советуют защищать такие длинные линии?

Пред.След.

Вернуться в Оборудование

Кто сейчас на конференции

Сейчас этот форум просматривают: нет зарегистрированных пользователей и гости: 1

cron